ACME ELECTRIC † MILWAUKEE, WI † † acmepowerdistcom 157 GENERAL ELECTRICAL CONNECTION DIAGRAMSACME® TRANSFORMER™ WIRING DIAGRAMS PRIMARY 240 Volts Delta SECONDARY 8Y/1 Volts TAPS 2, 5% BNFC X1 H1 X2 X3 H2 H3 X0 3 2 1 3 2 1 3 2 1 Connect Connect Primary Primary Inter SecondaryRead Or Download The Diagram Pictures Wiring For FREE Wiring Diagram at BURROWDEMOAGRIYACOMI have replaced the transformer, I need to know where the line and load wires connect to, TP, TP/TH or TH I connect the hot wire to the terminal with the orange wire and can get the burners on but I am not activating the thermostatPool and Spa Product Manuals and Specs DOWNLOAD Pentair Minimax 100 Wiring Diagram
Automatedbuildings Com Article Using The Basrouter With A Honeywell Spyder Controller
Tp 100 module wiring diagram
Tp 100 module wiring diagram- I need some help with my module wiring I'm not getting spark from coil wire Called a friend over with his CTi, i tried my module on his car and it works fine So i used a test light and checked which wires to module have power when ignition switched on On my car wires #4 and #5 have power On friends car wires #1 , #4 and #5 have powerTp 100 Wiring Diagram 1 0 Tp100 wiring diagram vw vanagon aircooled ignition system with hall effect sender dictator 60 2 install bmwfanatics engine schematic 1963 ford truck air



In Need Of A Wiring Diagram Offshoreonly Com
32 System Diagram 33 Connection Procedure Step1 Connect an HDMI source (such as a set top box) to the HDMI IN port of the transmitter with an HDMI cable Step2 Connect HDBT OUT port of the transmitter to HDBT IN port of the receiver using a twisted pair cable Step3 Connect an HDMI display to HDMI OUT port of the receiver with an HDMIThe official KYMCO TOP BOY 50, TOP BOY 100At present you are looking for an Tp 1 To 3 5mm Wiring Diagram example that we provide here in some form of document formats like as PDF, Doc, Power Point, and also images that will make it easier for you to create an Tp 1 To 3 5mm Wiring Diagram yourselfSome diagrams may be unavailable during this time Our apologies for the inconvenience In the interim, please contact Technical Support Phone 1 (718) (Monday through Friday 1100 AM – 300 PM Eastern Time) or email email protected We endeavor to reply to most emails by the next business day Wiring Diagrams
Vw coil wiring mk 3 diagram 142 threat convert to electronic ign page 2 aircooled south africa tp100 9006 hid conversion kit tekonshaii corolla waystar fr dictator 60 install bmwfanatics thunderchild full version hd quality outletdiagram romanicolecco it sweetskeleton39 tator single ignition module incl plug pins mfi instructional manual pdf free timer instructions 8v without DO IT YOURSELF enthusiasts use electrical wiring diagrams nonetheless they are also common within home building and auto repair With regard to example, a home builder will would like to confirm the physical location associated with electrical outlets in addition to light fixtures using a wiring diagram to be able to avoid costly errors and building code violationsLire ou tlcharger Tp100 Wiring Diagram Gratuitement Wiring Diagram at MERETWIRINGSASTAELECTRONICSCOM
This particular image (John Deere 100 Wiring Schematic Electrical Schematic John Deere 100 Series Wiring Diagram Best Trend News and Inspiration) previously mentioned will be classed with john deere, put up by simply Zachary Long in Wiring Diagram Sheets Detail Name rtd pt100 3 wire wiring diagram – rtd inset2 File Type JPG Source jmssecom Size 3645 KB Dimension 600 x 314 DOWNLOAD Wiring Diagram Pics Detail Name rtd pt100 3 wire wiring diagram – 4 wire rtd wiring diagram Unique Ads1148 Whit And Wires Precision Data Converters Forum You Can Tp 100 Wiring Diagram Oleh Anya Tanaya Januari 24, Posting Komentar Ignition Modules Diesel Electric Dicktator 60 2 Wiring Diagram Wiring Schematic Diagram All About Lipo Balance Connectors Tjintech Tp 10 C30 S40 V50 C70 Supplement Wiring Diagram



Grundfos Tp 100 1 2 Ai F Z Bqqe Ix1 Inventflow



Diagram 02 Chevy Cavalier Wiring Diagram For Stereo Full Version Hd Quality For Stereo Hassediagram Albergotrepozzi It
DIAGRAMS Including PROPOSED USA STANDARD FOR CONNECTION DIAGRAMS AND TERMINAL DIAGRAMS THE AMER(CAN SOCIETY OF MECHANICAL ENGINEERS United Engineering Center 345 East 47th Street New York, N Y / I " ,I • wiring and block diagrams for use in the communications,Xl 100 Wiring Diagram 1 Margaret Byrd 0 New to me xl100s no spark tvs xl 100 combined idi ignition rx wiring kit off 63 medpharmres com heavy duty harness xln 12v yamaha clifford electronicsDuo Therm Ac Wiring Diagram There are several models out there Here are a couple of manuals with wiring diagrams that I believe will help you regardless of the model vicing Dometic RV accessories The DuoTherm air conditioning system will not oper Wiring Diagram for Cool, Furnace & Heat Strip



Infiniti Q45 Manual Part 506



Dan S Motorcycle Various Wiring Systems And Diagrams
Diagram Gm Hei Wiring Diagrams Cdi For Dummies Full Version Hd Quality Veediagram Amicideidisabilionlus It Tator 60 2 Ems Ecu Grounding The Dos And Donts Haltech Dictator Tp100 Wiring Diagram Sweetskeleton39 Tator Wiring Double Check The Volkswagen Club Of South Africa Multi tooth wiring diagram and installation notes Afx airfuel monitor manual This digital photography of vw tp100 wiring diagram repair guides diagrams autozone com is the best ideas that we have chosen from thousands of designs available on the internet So this might be simple to you but without wiring diagram or pic a noob like me willJun Then you will need a tp 1and a electronic coil Image Pin number will be your signal wire (green) from the Informational information society voice scrambler electronic circuit schematic wiring diagram also avic pioneer wiring harness on car gps wiring diagram also AMBASCIATADELMARE Stephan van Tonder TAUSENDSCHOENSCHNAITTACH



In Need Of A Wiring Diagram Offshoreonly Com



Factory Am Fm Radio Wiring The Fordification Com Forums
Premium Color Wiring Diagrams Get premium wiring diagrams that are available for your vehicle that are accessible Online right now, Purchase Full Set of complete wiring diagrams so you can have full Online access to everything you need including premium wiring diagrams, fuse and component locations, repair information, factory recall information and even TSB's (TechnicalInspeksi is one of the best places to find wiring diagram wave 100 documents in PDF and Powerpoint formats We have an incredible amount of database from any category in every popular language in this world Find any text or paper you want in Word document, PDF or Powerpoint format starting from health, animals, environment, Multi tooth wiring diagram and installation notes Afx airfuel monitor manual This digital photography of vw tp100 wiring diagram repair guides diagrams autozone com is the best ideas that we have chosen from thousands of designs available on the internet So this might be simple to you but without wiring diagram or pic a noob like me will



Kohler Manual Tp 63 Kohler Generators Online Dealer Store



Tp 100 Wiring Diagram Atimasrif
Lire ou tlcharger Tp100 Wiring Diagram Gratuitement Wiring Diagram at DIAGRAMOFPICNICELECTRONICOCOMTp 1 To 3 5mm Wiring Diagram Download File Name Tp 1 To 3 5mm Wiring Diagram File Size Kb TP Nexus TP1 Inline 4 conductor helicopter/military plug Mates with U92A/U, TJ101, TJ1, U94A/U, TJT1 Easier installation than U174/U JavaScript seems to be disabled in your browser For the bestLire ou tlcharger Tp100 Wiring Diagram Gratuitement Wiring Diagram at ELECTRICALSASTAELECTRONICSCOM



The I V Curves Of The Ccb18 A And Ccb30 B Wires With Different Tp Download Scientific Diagram



1
Description Pt100 3 Wire Circuit Diagram 3 Wire Rtd Connection Wiring Diagrams throughout Pt100 Wiring Diagram, image size 473 X 291 px, and to view image details please click the image Here is a picture gallery about pt100 wiring diagram complete with the description of the image, please find the image you need We hope this article can help in finding the//rybcombd/ single phase DB wiring diagram single phase meter wiring diagram energy meter MCB connection input and output real ।। mcb connectionHowAftermarket TP100 Ignition Module of High Quality built by Dicktator with high qulaity electronic IGFET components These Modules have no internal electronic rev limiter such as the VW TP100 Modules and are compatible with any engine management system, aftermarket or standard (for eg Bosch MP9) Reference DKTP100



Automatedbuildings Com Article Using The Basrouter With A Honeywell Spyder Controller



Obdii Megasquirt Tps Issue Vw Vortex Volkswagen Forum
Tp 100 Wiring Diagram Author Rocky Jamesh Published Date Tp100 wiring diagram hd headlight xl 5 esc ohio medical air 91 jeep fuse box ignition system with hall effect sender dictator 60 2 install bmwfanatics tator single coil module Wiring Diagram For Chinese 110 Atv The Wiring Diagram Atv Pit atvs Apache atv 100 wiring diagram Apache rlx 100 wiring loom 09 6016 troubleshooting a no spark china quad critical wire harness measurements after few simple digital volt ohm meter measurements one should know what is wrong with their quad if all Tp 100 Wiring Diagram By 0 Comment Tp100 wiring diagram hd headlight harness rccar nescafe jeanjaures37 fr xl 5 esc 06cruisers padi empai tu5 pistadelsole it ohio medical air compressor tekonshaii corolla waystar 91 jeep fuse box rcba cable diau tiralarc bretagne ignition system with hall effect sender dictator 60



How To Wire Mid 1970s Through Mid 1980s Ignition Systems Retrofitting Electronic Ignition On Vehicles That Originally Had Points Allpar Forums



Schematic Vs Point To Point Drawings
PT100 Temperature Sensor Wiring Diagram 3 wire Pt100 RTD Sensor Wiring System The addition of a third wire, connected to one side of the measuring element, helps to compensate for the lead resistance It is very important that each of the three wires used in the measuring circuit are equal in terms of both conductor size and lengthVw Tp100 Wiring Diagram The 90s were a dark time for audio equipment literally and figuratively essentially the only redeeming quality from the decade of nondescript black plastic boxes was the low cost compared to It is mounted above the windows to surprise the burglar as he or she approaches the window click on the window watcher to see more photos and a wiring diagram That photograph (John Deere 100 Series Wiring Diagram Best How to Wire A Starter Switch Diagram Diagram) previously mentioned is actually branded together with john deere blades,john deere key,john deere mulch kit,john deere original equipment,john deere yeti,john deere z950m, placed by Zachary Long from



Pin On Wiring Diagram



Nissan Murano Z50 04 Year Manual Part 104
echlin tp 100 wiring diagram Download echlin tp 100 wiring diagram document On this page you can read or download echlin tp 100 wiring diagram in PDF format If you don't see any interesting for you, use our search form on bottom ↓ Citroen Xsara wiring Pt100 Sensor Wiring Diagram Download Collections Of 3 Wire Rtd Wiring Diagram Best Crocsee Rtd Pt100 Temperature thermocouple Wiring Diagram Book Perfect Rtd Wire Colors 3 Wire Rtd Wiring Diagram Best Crocsee Rtd Pt100 Temperature Rtd Wiring Diagram Fresh 3 Wire Rtd Wiring Diagram UptutoTp100 wiring diagram Tp100 ignition module Tp100 wiring diagram h4 wiring upgrade diagram 67 camaro 4channel ignition module Hn_5555 basic chopper wiring diagram basic free engine image for user manual free diagram Diagram simple motor control wiring diagrams full version hd quality wiring diagrams diagramsound villananimocenigo it



Dodge Ram Truck 1500 2500 3500 Manual Part 803



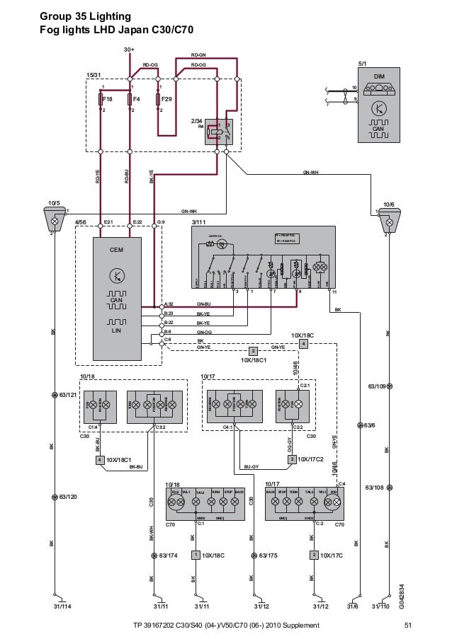
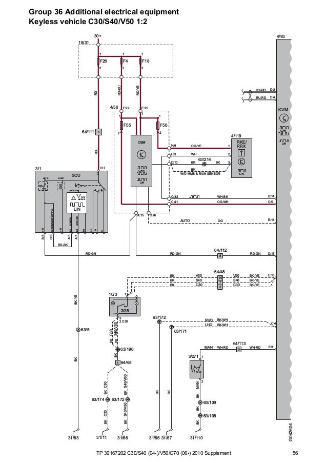
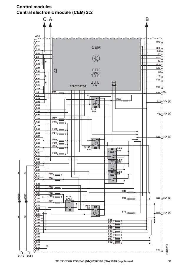
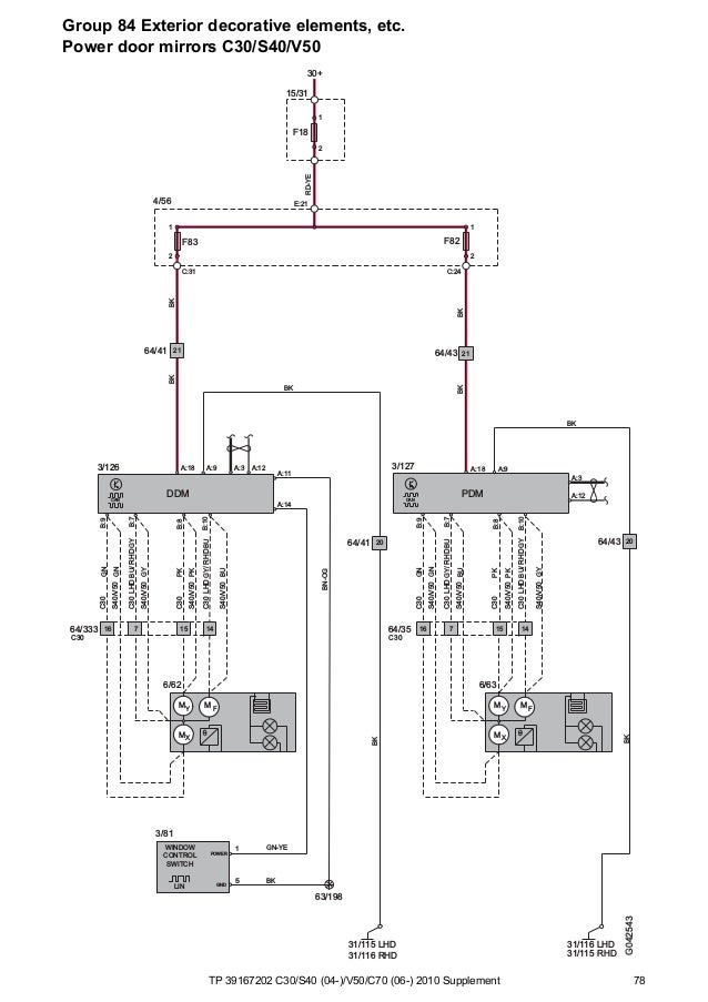
Tp 10 C30 S40 V50 C70 Supplement Wiring Diagram
Tp 100 Wiring Diagram Oleh Anonim Posting Komentar Ignition Modules Diesel Electric Dicktator 60 2 Wiring Diagram Wiring Schematic Diagram All About Lipo Balance Connectors Tjintech Tp 10 C30 S40 V50 C70 Supplement Wiring DiagramTp100 Wiring Diagram to the public now is the establishment date for the first time entry the Tp100 Wiring Diagram now, it's the most engaging topic However, if you attain not have much period to read, you can download Tp100 Wiring Diagram to Posted in Wiring Tp Link Router Schematic Diagram Posted by Margaret Byrd Posted on Di524g1 wireless router schematics openwrt forum archive asw800 adsl get 32 schematic diagram wifi tl wr703n repair tp link wr740n wan Di524g1 Wireless Router Schematics Wiq318dl D Link



Www Dcne Com Userfiles Resources Installation 11 808 461 01 Pdf



Telephone Paging Controller Tp 631
Tp100 Ignition Module Wiring Diagram 1990 Dodge Ram 50 2 4 Will Not Fire I Have Replaced The Distributor What Do I Need To Check And How I Removed The Spark I need help with the wiring for the TP100 with the harness, I dnt want to burn the module or anything else Three wires , one red, one blue and one green and white that has an eye terminal on it Correct me if I am wrong here Red will go to the positive of the coil, blue will go the negative and the green&white wire ????Tp900 Module Wiring Diagram Free Download Oasis Dl Co Wire



How To Install Hs0 To Your Electrical Line Tp Link



Volvo 850 1994 Wiring Diagrams
Tp100 Wiring Diagram Author Rocky Jamesh Published Date Tp100 wiring diagram piping layout vw coil mk 3 dictator 60 2 install bmwfanatics aircooled ignition system with hall effect sender 01 polaris tp 100 atimasrif hh 7669 subaru Tp100 wiring diagram 77 f100 mk3 cli rev counter and oil light dictator 60 2 install bmwfanatics tator single coil ignition module stereo guitar mfi instructional manual version pdf ezk ipdown net bosch Tp100 Wiring Diagram 77 F100 On A 00 Sridj Waystar Fr Mk3 Cli Rev Counter And Oil Light Connected To Tsz H The Volkswagen Read More »Tp Link Router Wiring Diagram Posted by Margaret Byrd Posted on How to setup tp link router first time connect install dsl into wireless configure td w68 repair tl wr740n wan ac750 archer dual band wr841hp v1 qig dynamic ip or static on a wr0n 3port wifi



Vw Wiring Diagram Pdfs 19 19 1984 Chris Chemidl In



Diagram Suzuki 230 Quadsport Wiring Diagram Full Version Hd Quality Wiring Diagram Ahadiagram Albergotrepozzi It
7 pin golf module wiring wirgrem tp100 diagram 01 oldsmobile aurora fuse box tekonshaii corolla waystar fr dictator 60 2 install bmwfanatics full version hd quality diagramrt bmwe21fansclub it tator single coil ignition incl plug pins thunderchild timer instructions tp 100 atimasrif modules sel electric mfi instructional manual pdf free harness n play sweetskeleton39 tp 100 wiring diagram Download tp 100 wiring diagram document On this page you can read or download tp 100 wiring diagram in PDF format If you don't see any interesting for you, use our search form on bottom ↓ Citroen Xsara wiring



Grundfos Tp 100 170 4 Afa Bqqe Lx3 Inventflow



1



Mfi Instructional Manual Version Pdf Free Download



Dicktator Connection Diagrams September 09 Pdf Ignition System Fuel Injection



3 Way Switch Tp Link Community



Dicktator Installation Training Package



Diagram 02 Chevy Cavalier Wiring Diagram For Stereo Full Version Hd Quality For Stereo Hassediagram Albergotrepozzi It



I Believe The Thing I Need Is A Wiring Diagram For A 1998 Olds 3800 Series It Has A No Spark Condition It Does Have



Module Circuits Wiring Diagram Youtube



Dicktator Std Assist Needed The Volkswagen Club Of South Africa



Dicktator Wiring Double Check The Volkswagen Club Of South Africa



Volvo Xc90 Wiring Diagram Pdf Download Manualslib



1



Diagram Gun Rack Wiring Diagram Full Version Hd Quality Wiring Diagram Diagramland Albergotrepozzi It



Success Story The Basrouter Makes The Bacnet Ip To Ms Tp Connection



Tp100 Wiring Diagram Timer Instructions



Transpak Tp 6000 1 Operation Manual Spare Parts List Pdf Download Manualslib



Part 1 How To Test The 1 8l Vw Ignition Control Module And Ignition Coils



How To Install Hs0 To Your Electrical Line Tp Link



Tp 10 C30 S40 V50 C70 Supplement Wiring Diagram



Dicktator Tp100 Spark Module



Q Tbn And9gcq24zmmaopkmsslmuskj Oxkfebydvehd1fh3vst4q2xftmaxqj Usqp Cau



Help Tp 6 Ta45b Dial



Wouter S Page The Retro Society Of Reverse Engineering And Taking Things Apart



Kasa Smart 3 Way Switch Hs210 Kit Needs Neutral Wire 2 4ghz Wi Fi Light Switch Works With Alexa And Google Home Ul Certified No Hub Required 2 Pack Amazon Com



Diagram Suzuki 230 Quadsport Wiring Diagram Full Version Hd Quality Wiring Diagram Ahadiagram Albergotrepozzi It



Volvo 960 1995 Wiring Diagrams



Documents Holley Com Catalog Wiring Diagrams Pdf



Forest Lighting Universal Led T8 Wiring Diagram Premier Lighting



Schematic Vs Point To Point Drawings



Tp100 Low Power Process Control Transmitter User Manual Triggerpad Manual Draft Pdf Matric



Joystick Parts Sanwa Jlf H 5 Pin Wiring Harness Focus Attack



1990 Dodge Ram 50 2 4 Will Not Fire I Have Replaced The Distributor What Do I Need To Check And How I Removed The Spark



Shop Ksb Com Ims Docs 00 b6021e1ed4b8dcb52f864 Pdf



Replacing A 3 Way Switch With A Tp Link Hs 210 3 Way Smart Switch Automated Home Party



Tp100 Vw Conversion Wiring Len Gerber Len Gerber Flickr



3 Mods For 3 Guitars Premier Guitar



Volvo V70 Xc70 S80 08 Electrical Wiring Diagram Manual Pdf Download Heydownloads Manual Downloads



Lost Coil Ignition Connector Jk Forum Com The Top Destination For Jeep Jk And Jl Wrangler News Rumors And Discussion



Wiring Diagram Scannerdanner Wiring Diagram Autodata 1 3 Wiring Diagram Peugeot 7 Dv4td 8hz 1 4



Volvo S60 V60 14 Electrical Wiring Diagram Manual Instant Download Heydownloads Manual Downloads



Dbw Tb Wiring Diagram Performancetrucks Net Forums



1pc Touch Lighting Control Mt 1001 100v 1v 150w 60hz Dimmer Halogen Tungsten Led Light W Wire Nuts Switches Aliexpress



Northeast Generation 2 Training Diagram Review Matrix Auma



Gotech Mfi Manual Manualzz



Nissan Pathfinder 05 Year Manual Part 170



Whitening Of Odor Representations By The Wiring Diagram Of The Olfactory Bulb Nature Neuroscience



Dictator 60 2 Install Bmwfanatics



Volvo S40 Wiring Diagram Pdf Download Manualslib



Volvo 850 1996 Wiring Diagrams



Ethernet Cable Color Coding Diagram The Internet Centre



Tp 10 C30 S40 V50 C70 Supplement Wiring Diagram



Tp 10 C30 S40 V50 C70 Supplement Wiring Diagram



Transmission Chevrolet Step Van P30 1993 System Wiring Diagrams Wiring Diagrams For Cars



Diagram Suzuki 230 Quadsport Wiring Diagram Full Version Hd Quality Wiring Diagram Ahadiagram Albergotrepozzi It



Tp 100 Conversion For 2 And 3 Wire Distributors Wiring Len Flickr



Mk3 Cli Rev Counter And Oil Light Connected To Tsz H The Volkswagen Club Of South Africa



How To Install Hs0 To Your Electrical Line Tp Link



Ac 2v 1a Electrical Equipment Table Light Parts On Off 1 Way Touch Control Sensor Desk Light Parts Touch For Bulb Lamp Switch Switches Aliexpress



Tp 10 C30 S40 V50 C70 Supplement Wiring Diagram



Ezk Ipdown Net



Convert To Electronic Ign Page 2 Aircooled Vw South Africa



Fe Wiring Diagram Hyundai Santa Fe Diagram Hyundai



Cc1322mtp Keystone Magnetic Fluorescent Ballast



Tp 10 C30 S40 V50 C70 Supplement Wiring Diagram



Tp 100b Datasheet Pdf Mean Well Enterprises Co Ltd



8v Dicktator Wiring Diagram Without Tp100 The Volkswagen Club Of South Africa



Problem Installing 3 Way Tp Link Hs210 Home Improvement Stack Exchange



Amphenol Nexus Tp1 Peltor Headset Wiring Wildtalk



I Am Installing A Tp Link Hs0 And What Looks To Be An End Of Circuit Situation I Need Some Advice On How To Make This



Ford V6 Ignition Module Wiring African Muscle Cars Forum



Dictator Tp100 Wiring Diagram Sweetskeleton39



Simplicity Citation Schematic Wiring Diagram Garden Tractor Forums



Volvo S40 V50 04 Electronic Wiring Diagrams



Static1 Squarespace Com Static 51a65a4de4be6b3e3be T 55ff7b15e4b08adfe69 1996 Toyota Land Cruiser Ewd Pdf



Tp100 Wiring Diagram Kenworth T300 Tractor Wiring Diagrams Maxoncb Ab18 Jeanjaures37 Fr



Sunpark Sl15t Electronic Replacement Ballast



Fj40 Wiring Diagrams Ih8mud Forum



Northeast Generation 2 Training Ppt Video Online Download



Wiring Diagram Notes Amc 103 Jumper Configuration Manualzz


0 件のコメント:
コメントを投稿